R&M Mining Supplies (Pty) Ltd

Suppliers of mining equipment and accessories for underground and Geotechnical equipment.

We have an uncompromising commitment to quality products, continuous innovation and friendly customer service allows us to meet high performance standards and standard safety requirements for drilling and exploration products.

Our product range includes supplying equipment for obtaining geological samples, carrying out on-site testing for ground and rock formations, rotary coring equipment, diamond drilling equipment, and much more.

Our product range includes supplying equipment for obtaining geological samples, carrying out on-site testing for ground and rock formations, rotary coring equipment, diamond drilling equipment, and much more.

Coring Components

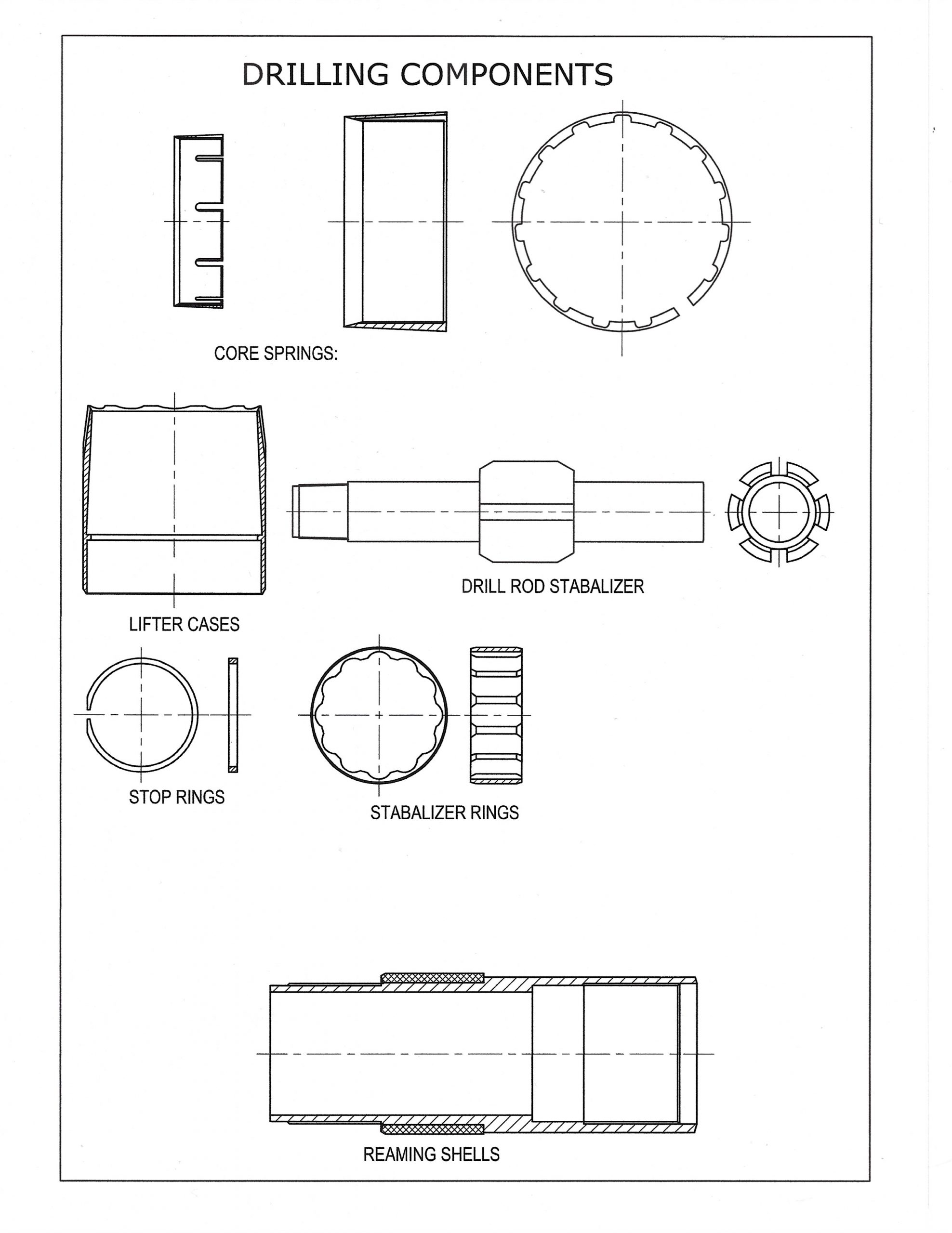
We supply and manufacture a wide range of Drill Rods, inner and outer tubes. Our range includes, AQ, BQ, NQ, HQ, and PQ rods and core barrels.

Drilling Equipment

We supply a wide range of Drill Bits and Reamer Shells, that includes soft soils and hard rock.

Retractable Telescopic Soil Samplers

Water Swivels and Hoisting Swivels

Stuffing Boxes

Drilling Components

Geotechnical Equipment

Pilot Safety Board/Water Board Cage

We supply complete Water Board assemblies, and the separate Water Board equipment.